早知道 有哪两百多家仪表厂家参展了2026江苏金湖长三角国
2026-05-091 概述
仪表的校验方法很少作为论文的主题,制造厂家也不很乐于介绍,技术人员虽然有多种校验方法,却很少公开发表此类信息。然而此类信息对广大使用者而言,却非常宝贵。如果使用部门的仪表计量人员能熟练掌握各种仪表的校验方法,就可以在仪表现场进行校验,有利于减少影响生产的时间、节约运输及检验费用。下面我分类介绍一下我们公司部分使用流量计的校验方法,和大家进行交流。
2 电磁流量计
我们公司在线使用的电磁流量计主要是上海光华—爱而美特(SGAIC)公司MF900型电磁流量计,其转换器主要为SC100AS和T900两种型号,精度为0.5级,主要用在糖化水量控制及麦汁流量计量。为了保证流量计的计量精度以及ISO9001质量管理体系的要求,我们每年对其进行一次周期校验。如果每台每年都送到厂家去校验,不仅拆卸运输麻烦、运输及检测费用高、检验周期长,而且必定影响生产。于是公司购进厂家生产的传感器模拟信号发生器GS8(图1),进行自行校验。
下面我把用GS8对电磁流量计的校验方法介绍一下:
a、切断转换器电源;
b、打开其接线盒的盖子;
c、拆下接线端子1、2、3、7、8;
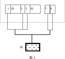
d、把GS8的信号线(有线号)按相同线号对应接入转换器的端子(如图2);
e、接通GS8和转换器的电源(预热≥15分钟);
f、把开关D(GS8面板)设定在“0”位置;
g、旋电位器P(GS8面板)调零,使流量计转换器瞬时流量为零;
h、按下面公式确定X值:
X=Q满×K×F/(GK×DN2);
其中:Q满=流量计满量程的值(T900铭牌上给出;SC100AC菜单中有,并可以改变);
GK为传感器常数(见传感器铭牌);
F=(GK值不含L)或=2(GK值含L);
DN为传感器直径(单位为mm);
t为单位时间(单位为小时);
V为单位体积(单位为L);
K为常数7.074
**请注意参数单位的统一;
i、用GS8面板的表格来确定Y值(此值与X最接近,且Y≤X);
j、计算“Y”点处流量值:O=Y×Q满/X;
k、记录设定点的瞬时流量(SC100AC可显示瞬时流量)测量值和计算值的误差:(误差值≤0.5%为正常;≥0.5%,请检修流量计后再重新检定);
l、记录设定点累计流量(T900不能显示瞬时流量)和计算的累计流量值(秒表记时):(误差值≤0.5%为正常;≥0.5%,请检修流量计后再重新检定);
m、线性检定:将Y值调小,Q读数将会和Y值成比例减小;
n、校验结束,重新接好流量计的信号线;
o、仪表检验合格,填写仪表检定记录,出具检定合格证;修理后检定仍然超差,将对此仪表进行降级使用或报废,并出具相关证明。
3 涡街流量计
我们公司蒸汽计量的流量计多数为涡街流量传感器配智能流量积算仪,智能积算仪通过接收涡街流量传感器的频率信号,转换成为瞬时流量和累计流量,下面简单介绍一下我们通过频率信号发生器对其校验的方法:
a、首先计算出流量积算仪显示的瞬时流量值:
Q=3.6×fin×ρ/c。
其中:Q:仪表显示的瞬时流量,单位为m3/h;
fin:为输入频率值,单位为Hz;
c:传感器的仪表常数,单位为频率个数/升;
ρ:对应于工作温度时的密度值,单位为kg/m3;
b、拆下流量计积算仪的输入信号线(频率输入端子);
c 、将信号发生器(频率计)信号线按接线图接入积算仪的信号输入端(注意线号的对应);
d、将频率信号发生器输出频率调至对应于瞬时流量值频率数并输入积算仪;
e、记录并计算流量积算仪的显示流量(瞬时或累计)和计算的Q值之间的误差;
f、误差值≤0.5%为正常;≥0.5%,请检修流量积算仪后再重新检定;
g、线性检定:将fin值按比例调节,Q读数将会和fin值成比例变化;
h、校验结束,重新接好流量计的信号线;
i、仪表检验合格,填写仪表检定记录,出具检定合格证;修理后检定仍然超差,将对此仪表进行降级使用或报废,并出具相关证明。
4 气动差压流量计
由于我们公司设备投产较早,仍然部分使用气动差压流量计。下面我把对气动差压变送器(配三阀组)的校验方法介绍一下,连接如(图3):
a、差压流量计的气源压力正常(0.14MPa);
b、三阀组阀门在正常运行状态(平衡阀关闭、正压阀负压阀都打开);
c 、先关闭正压阀、负压阀,再打开平衡阀;
d、打开正压室、负压室的排气孔,排空正压室、负压室内的水或空气;
e、关闭平衡阀;
f、零位检测调整(用标准压力表接在信号输出端并读数);
g、通过正压室排气口向正压室内输入差压信号(信号可以通过气动定值器给出、通过标准压力表读出;信号大小建议为变送器量程的0、50%、100%);
* *注:此时负压室排气孔必须处在打开位置;
h、读出并记录各输人信号对应的输出信号值;
i、根据仪表量程,计算出实际误差值;
i、实际误差值>仪表精度,对仪表进行检修调整后重新检定;误差值在仪表精度范围内,则判定该仪表合格;
k、仪表检验合格,填写仪表检定记录,出具检定合格证;修理调整后检定仍然超差,将对此仪表进行降级使用或报废,并出具相关证明;
l、检定结束后,先打开平衡阀,然后打开正压阀,旋开正、负压室的排污孔排污,见到孔内有液体(介质)流出后关闭排污孔,关闭平衡阀,最后再打开负压阀,正常投入使用。
* *注意!三阀组的关闭顺序为:先打开平衡阀,再打开正、负压阀中的一个阀,然后关闭平衡阀,最后打开剩下的正(或负)压阀,方可投入使用。否则,正负压室压差将过大,会使变送器膜片变形,导致变送器报废。
5 流量计的对比检定法
对于部分精度较低且校验困难(没有校验方法,校验用的设备贵重、安装地点拆卸困难等)的流量计,公司同样要对其进行周期检定(IS09001质量管理体系和计量法中都有规定),以保证其运行的精度。但对于此类流量计,我们公司基本上使用对比校验方法对其校验,大致方法如下:
a 、在公司内选一精度高、易拆卸的流量计(已经校验合格)作为标准流量计;
b、把此标准流量计和待校验的流量计用管道串接(保证标准流量计的安装技术要求);
c、打开管道上的阀门及泵(尽量模拟使用的环境),使介质充满管道;
d、同时对两台流量计开始计数;
e、一段时问内,同时结束对流量计的计数。(校验时间越长,相对误差就越小);
f、记录标准流量计累计流量和待检流量计的累计流量,计算出误差值;
g、误差值≤精度值为正常;误差值≥精度值,请检修流量计后再重新检定;
h、仪表检验合格,填写仪表检定记录,出具检定合格证;修理后检定仍然超差,将对此仪表进行降级使用或报废,并出具相关证明。
* *注意:
①待检验的流量计精度必须低于指定的标准流量计。
②介质必须充满管道,方可进行开始和结束读数。




