图页网
智能仪表
首页
分类
搜索
登录
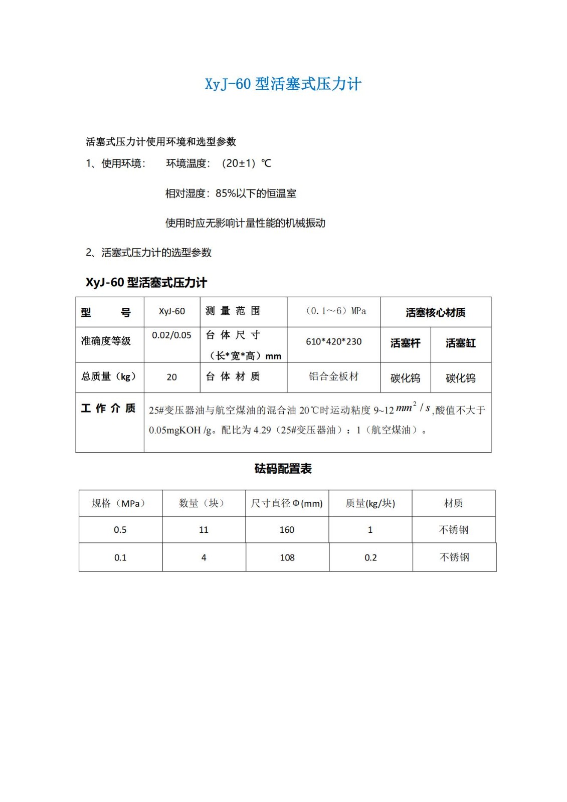
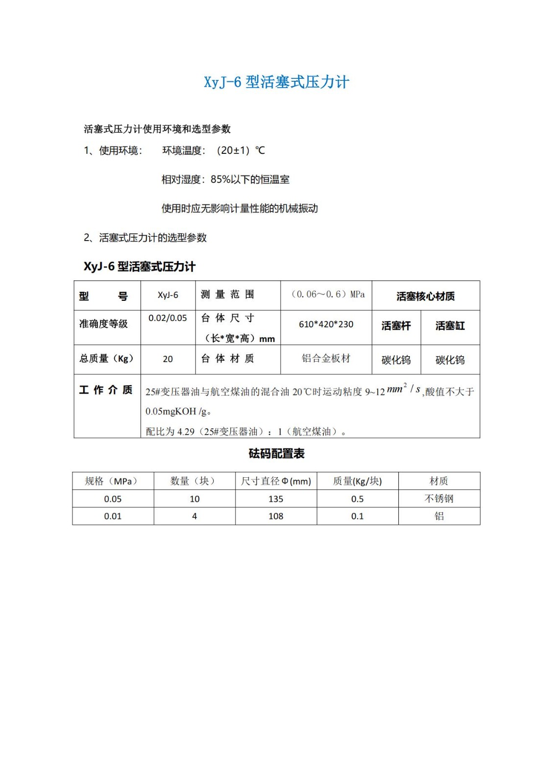
祥跃 XyJ-6,XyJ-60型液体活塞式压力计
点击:342
推荐产品
更多
(点击下面红色公司名称进入企业官网)
留言邮箱
*
留言标题
*
我想了解
单价
产品规格
型号
价格条款
原产地
能否提供样品
最小订货量
交货期
供货能力
销售条款及附加条件
包装方式
质量/安全认证
快捷提问
请选择常用问题
我对贵公司的产品非常感兴趣,能否发一些..
请您发一份比较详细的产品规格说明,谢谢..
请问贵公司产品是否可以代理?代理条件是..
我公司有意购买此产品,可否提供此产品的..
主要内容
*
回复时间
前回复
公司
姓名
*
电话
*
邮箱
QQ
微信
Skype
验证问题
*
[换个问题]
验证码
*
发表评论
0评