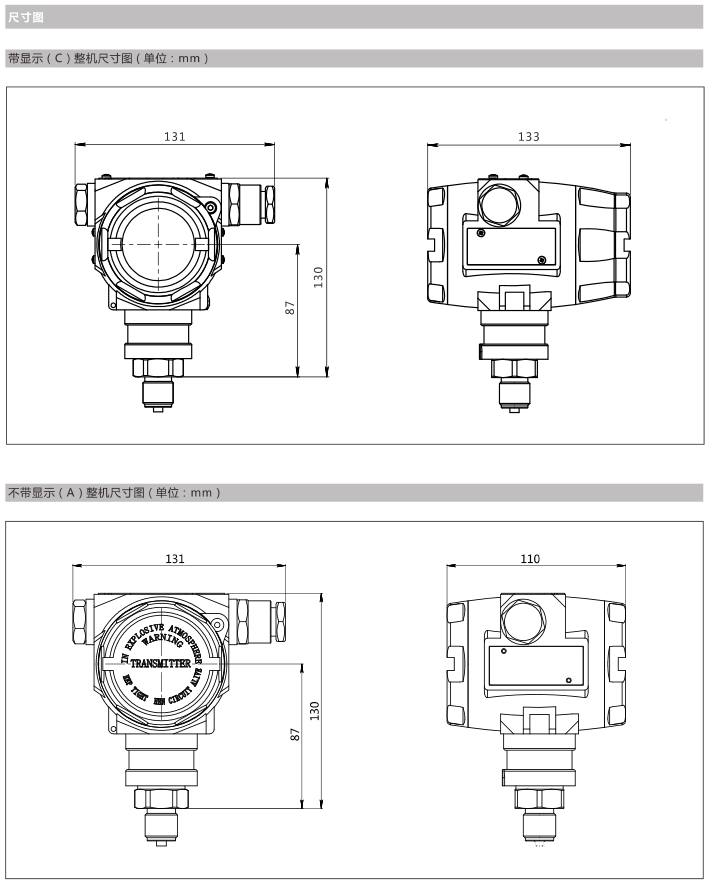
变送器

LEEG立格DMP305X-TLT扩散硅表压力变送器

2020-02-28 11:33  浏览:1696
品牌:
LEEG
量程范围:
5kPa-100MPa
输出信号:
4-20mA,4-20mA+HART,Modbus-RTU/RS485
参考精度:
0.2,0.5
单价:
面议
起订:
1 台
供货总量:
99999 台
所在地:
上海
有效期至:
长期有效
 




上海立格仪表有限公司

企业会员 5

为您挑选