

【主要特性】

减速器采用中空超扁平设计,结构更紧凑,整机更小巧,执行器自重更轻<1.5kg
执行器根据实际需求定制安装抱闸,让机器人开发更自由
高精度绝对值编码器,精准控制运动轨迹,多圈绝对值编码器分辨率标配16单圈和16多圈,保障机器人定位更精准、运行轨迹的稳定性更好
减少机器人开发过程中执行器的研发成本及人员投入
主要面向科研教学,医疗仪器领域
智能执行器SHD主要分为:SHD-14、SHD-17及更多系列敬请期待...
【规则参数】

| 基本性能 | |||||||
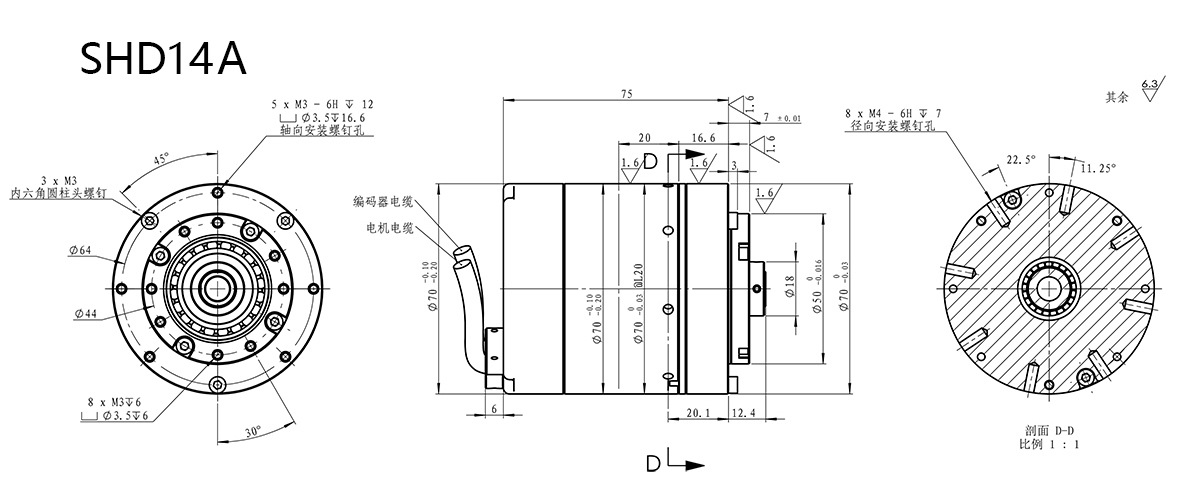
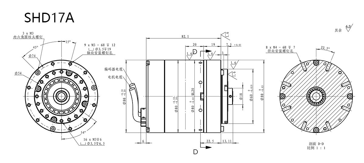
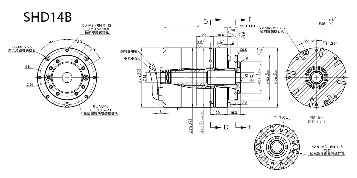
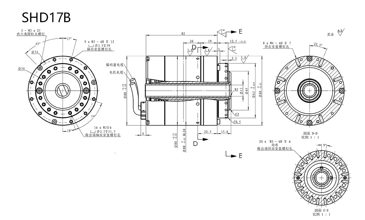
| 参数类型 | 单位 | SHD14A | SHD17A | SHD14B(中空) | SHD17B(中空) | SHD20-B | SHD14-B2 |
| 许用负载转矩 | Nm | 28 | 54 | 28 | 54 | 82 | 28 |
| 平均负载转矩 | Nm | 7.8 | 24 | 7.8 | 24 | 40 | 7.8 |
| 最大瞬时转矩 | Nm | 54 | 110 | 54 | 110 | 147 | 54 |
| 额定转速 | rpm | 29.7 | 19.8 | 29.7 | 19.8 | 29 | 29.7 |
| 最大转速 | rpm | 42.5 | 35 | 42.5 | 35 | 35 | 42.5 |
| 定位精度 | 度 | 0.001 | 0.001 | 0.001 | 0.001 | 0.001 | 0.001 |
| 电气性能 | |||||||
| 额定电流 | A | 4.2 | 5.7 | 4.2 | 5.7 | 6 | 4.2 |
| 峰值电流 | A | 10.5 | 14.25 | 10.5 | 14.25 | 15 | 10.5 |
| 工作电压 | V | 48 | 48 | 48 | 48 | 48 | 48 |
| 输出功率 | W | 118 | 148 | 118 | 148 | 200 | 118 |
| 通讯协议 | -- | Ethercat/Canopen | |||||
| 机械性能 | |||||||
| 直径 | mm | 70 | 80 | 70 | 80 | 90 | 70 |
| 长度 | mm | 75 | 82 | 76 | 82 | 88 | 93 |
| 重量 | kg | 1.07 | 1.458 | 1.26 | 1.458 | 2.2 | 1.5 |
| 减速比 | -- | 101 | 101 | 101 | 101 | 101 | 101 |
| 抱闸 | -- | 无 | 无 | 无 | 无 | 无 | 有 |
| 绝对值编码器 | Bit | 16位单圈/16位多圈绝对值 | 16位单圈/16位多圈绝对值(可选20000P/R增量编码器) | ||||
| 温/湿度 | |||||||
| 工作温度 | -- | 0 - 50℃ | |||||
| 湿度 | -- | 90%相对湿度(非冷凝) | |||||
| 环境要求 | |||||||
| IP等级 | -- | IP54 | |||||
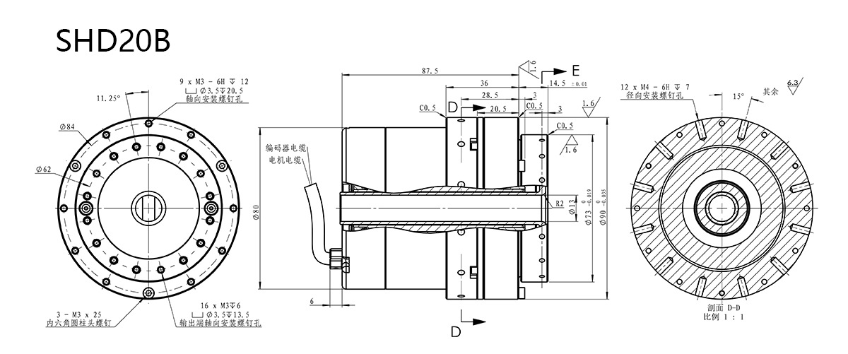
【机械尺寸外形图】








